
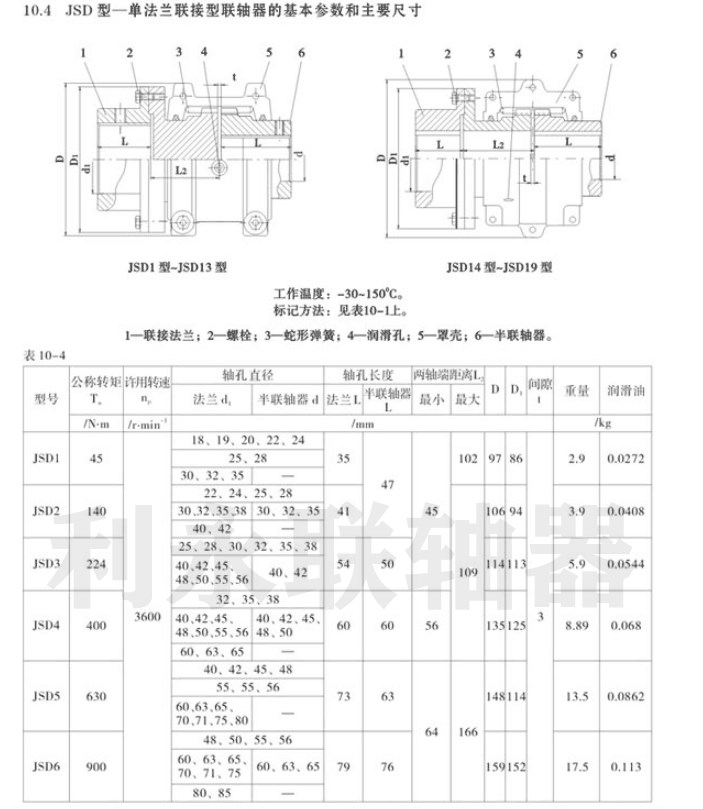
-JSD型單法蘭聯(lián)接型聯(lián)軸器特點:
JSD型單法蘭聯(lián)接型聯(lián)軸器由外套、球面滾子、半聯(lián)軸器、內蓋、外蓋等件組成.半聯(lián)軸器通過沿圓周分布的球面滾子與外套相聯(lián)接,球面滾子在半聯(lián)軸器和外套之間的孔內,以傳遞轉矩并承受徑向力,兼起調心軸承的作用,可補償減速機的輸出軸與卷筒軸線之間的角位移,其機構與彈性柱銷齒式聯(lián)軸器相類似.使用時,半聯(lián)軸器套裝于減速機輸出軸上,外套與鋼絲繩卷筒用高強度螺栓聯(lián)接,轉矩和徑向載荷通過球面滾子在半聯(lián)軸器和外套之間傳遞.球面滾子聯(lián)軸器具有補償兩軸相對位移的性能,結構緊湊,質量輕,可靠性高,安裝方便,用于起重機小車上機構容易布置.聯(lián)軸器所聯(lián)兩軸由于制造誤差、裝配誤差、安裝誤差、軸受載而產生和變形、基座變形、軸承磨損、溫度變化、部件之間的相對運動等多種因素而產生相對位移。一般情況下,兩軸相對位移是難以避免的,但不同工況條件下的軸系傳動所產生態(tài)平衡位移方向,即軸向、徑向角向以及位移量的大小有所不同。只有撓性聯(lián)軸器才具有補償兩軸相對位移的性能,因此在實際應用中大量選擇撓性聯(lián)軸器。剛性聯(lián)軸器不具備補償性應用范圍受到 ,因此用量很少。角向位移較大的軸系傳動宜選用萬向聯(lián)軸器;有軸向竄動,并需控制軸向位移的軸系傳動,應選用膜片聯(lián)軸器;只有對中精度很高的情況下才選用剛性聯(lián)軸器。小轉矩和以傳遞運動為主的軸系傳動,要求聯(lián)軸器具有較高的傳動精度,宜選用金屬彈性元件的撓性聯(lián)軸器。大轉矩和傳遞動力的軸系傳動,對傳動精度亦有要求,高轉速時,應避免選用非金屬彈性元件彈性聯(lián)軸器和可動元件之間有 的撓性聯(lián)軸器,宜選用傳動精度高的膜片聯(lián)軸器。

















